EN CN
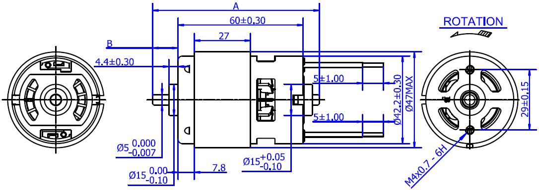
JBSD755PM

JBSD755PM

用途:

产品介绍:

产品详情